20 years focusing on recycling

Our MRWS(integrated shredder autoclave) series integrated infectious waste autoclave shredder, is an ideal solution for hospitals and healthcare centers to dispose of infectious medical waste. The machine is fully automated and easy to operate. The sterilization equipment and shredder are enclosed in one sealed vessel. integrated infectious waste autoclave shredder is also very compact, including an automatic lifter, dumper, optional steam generator, sterilizer, shredder, etc.
Integrated Shredder Autoclave For Biomedical Waste Management Description:
Our MRWS(integrated shredder autoclave) series integrated infectious waste autoclave shredder, is an ideal solution for hospitals and healthcare centers to dispose of infectious medical waste. The machine is fully automated and easy to operate. The sterilization equipment and shredder are enclosed in one sealed vessel. integrated infectious waste autoclave shredder is also very compact, including an automatic lifter, dumper, optional steam generator, sterilizer, shredder, etc.
Integrated Shredder Autoclave For Biomedical Waste Management Features:
1. Easy, safe, efficient, labor-saving and environmental-friendly, The biggest advantage is the low height and requirements for construction on site.
2. Green process without hazardous emissions, chemical-free and NO radiation
3. On-site treatment: avoid the risk of secondary infection
4. Advanced technology against chloride ion corrosion in medical waste
5. Advanced odor control technology ensures comfortable working ambient
6. Easy to maintain: patented technology of easily disassembled shredder largely shortens the maintenance and blades changing time.
7. Optional remote monitoring and recording system. Staffs are able to observe and control the live process in the office
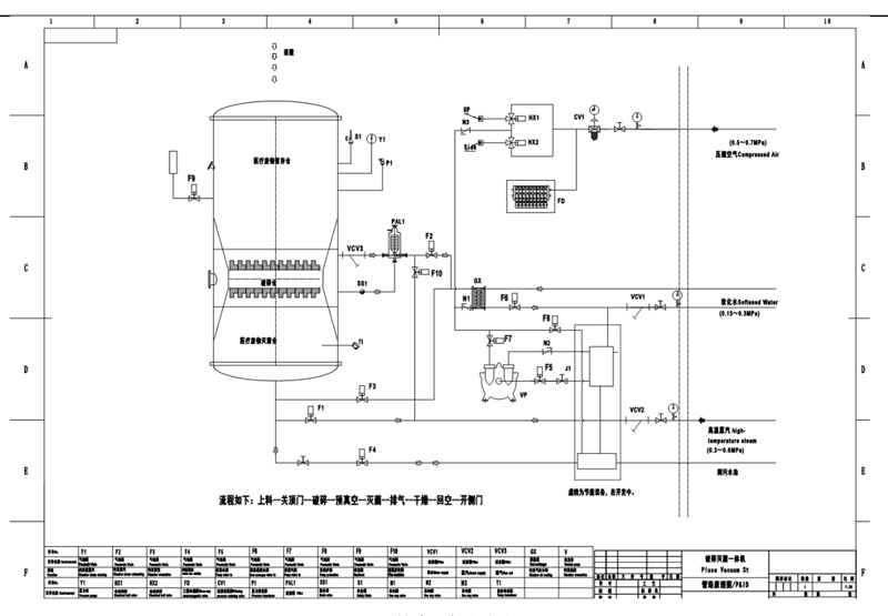
8. Vessels are made of 316L stainless steel. Sterilizing and shredding the waste within a single vessel. The powerful crashing blades reduce the volume of waste down to 20%. During the exhaust stage, the Valve is opening and the steam is flowing out through the biofilter.
9. Capacity: 500L-5000L
10. Working flow: Loading-Crushing-Heating-Sterilization-Exhausting-Unloading

Integrated Shredder Autoclave For Biomedical Waste Management Standard Configuration
•Sterilizer
•Built-in shredder
•Electrical and pneumatic PLC control cabinet with touch screen and micro-printer
•Automated lifter and dumper
•Vacuum pump
•Maintenance platform with ladder etc.
•Loading container
4. Optional Configuration
•Steam boiler/steam generator
•Medical waste container
•Sharps container
•Wash unit (for the container)
| Model | WRMS-800 | WRMS-2000 |
| Volume(m³) | 0.8 | 2 |
| Feeding bin volume(m³) | 0.3 | 0.5 |
| Receiving bin volume(m³) | 0.09 | 0.35 |
| Processing capacity(kg/cycle) | 22.5-27 | 50-105 |
| Overall size(L*W*H)mm | 2460*1820*1940(2640) | 2890*3450*3300(4000) |
| Load capacity (T) | 2 | 5 |
| Power(kw) | 14+40 | 26.5+60 |